欢迎光临重庆川流机械有限公司官网!您的肯定是我奋斗的目标!
欢迎光临重庆川流机械有限公司官网!
新型数字化干油集中控制分配润滑系统的研制(2)
2010-10-28 14:10 关键词:新型,干油集中,润滑系统
1、系统设计思路
要实现可控干油的分配方案,就需要对各个润滑点实现单独检测、单独控制。通过单独控制,来解决传统集中润滑系统中各润滑点相互关联、相互影响的问题,避免一个润滑点的问题造成整个润滑系统的瘫痪;通过单独检测,及时发现出现故障的润滑点的位置和故障原因,以方便维护检测;通过单独控制,各润滑点的润滑周期和润滑油补充量可以按设备要求随意设定。为此将容积式小流量计量器、电磁计量阀、串行通讯、载波通讯等技术,综合应用于这个系统中,以解决前述的3个方面的问题。
除去前述问题,下述几个重要问题也必须考虑:(1)对于像连铸机、轧机这样的高温设备,电器的控制和监测元件都无法在现场使用,如何对其完成控制与检测?(2)像球磨机、大窑这样的有轴承干油润滑、开式齿轮喷油润滑、轴瓦稀油润滑等多种润滑方式的主机设备,能不能把所有油站的控制与检测统一起来,减少连锁、报警灯统一信息的传递对象,使得系统更简明,维护维修更方便?(3)对于像皮带机这些润滑点间隔距离大、分布分散的系统,怎样以较低成本实现润滑点的检测控制?(4)对于像辊式给料机这样润滑点分布密集、各点对润滑要求也相同的设备,怎样解决分油箱难以排布的问题?(5)对于像堆料机、桥吊这样有相互移动部分的主机设备,如何用一台监控系统完成所有润滑点的监控?(6)对于像多功能行车这种需要在地面操作的移动主机设备,怎样完成对各点的润滑操作?
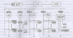
通过对以上问题进行统筹考虑,作者设计了一种全新数字化集中润滑系统——THRH-III型全自动集中润滑系统。该系统采用西门子可编辑控制器S7-200构成监控中心,控制各执行期间,采用西门子TD200文本显示器作为系统操作的显示器,可实现系统的定时定量、单点供油。通过实际生产,作者对该系统进行了改进,改进后的系统仍采用西门子S7-200来构成监控中心,但将控制柜的监视操作部分改为图形功能更强大的西门子触摸屏,同时增加上位机计算机,通过以太网络连接各油站监控中心。改进后和技术路线系统的结构如图1所示。
图1 系统简要结构图
该系统的基本设置是:在润滑点密集的油站内部,采用电力线盒485总线现结合的方式完成系统监控,减少电力载波芯片的使用,减低成本;在各油站与主机控制柜之间以及润滑点分布松散的油站内部,采用电力载波形式进行监控,减少电缆用量,客服长距离直流供电线损,降低线路的复杂性,提高系统可靠性。
如上系统设计构成,对于在一个生产线上有多种润滑要求的情况,如干油润滑、喷油润滑、静压轴承润滑同时存在的情况,又如现场电器监控、远程液压控制的润滑方式等,所需各项功能设置,通过该系统都可以完成。
图1中的(1),(2),(3)分别适用于干油集中润滑系统的3种情况,其中(1)适用于在润滑点分布散的情况,油站及每个分油箱各自采用一个载波通讯解码器进行单独通讯,以完成对每个润滑点单独监控。(2)适用于再一组润滑点周围环境温度高,无法采用电器检测控制的情况,设一个独立油站,该油站具有稀油监控。干油计量功能,该油站通过一个载波通讯解码器与中心控制柜连接。油站下设单(双)路液控阀,每阀控制一个片式分配器,为各感有点供油。(3)适用于在润滑点集中的情况,油站与所有分油箱共用一个载波通讯解码器,并完成对每个润滑点的单独监控。
图1中的(4)是喷油集中润滑系统,通过一个载波通讯解码器将喷油润滑站及每个喷射控制箱与中心控制柜连接,而每个喷油控制箱对应一个喷射板。
图1中的(5)是全静压液压润滑系统,通过一个载波通讯解码器将全静压润滑控制器及油路系统与中心控制柜连接,完成对静压油路的监控及油站各参数的检测。

